Это буквально равносильно забашенной нише технике НАТО.
Нет не предполагается.
Что будет ?
Испугавшийся экипаж, который бросил ЗАВЕДЁННУЮ МАШИНУ которая после несколько часов вырабатывала топливо пока не заглохла ?
Проблема срочников, а не техники.
Это буквально равносильно забашенной нише технике НАТО.
Нет не предполагается.
Что будет ?
Испугавшийся экипаж, который бросил ЗАВЕДЁННУЮ МАШИНУ которая после несколько часов вырабатывала топливо пока не заглохла ?
Проблема срочников, а не техники.
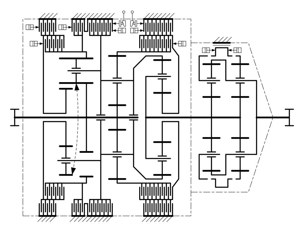
Ни о чём мне эти схемы не говорят.
Оно и понятно.
Откуда хоть они, догадаетесь?
Какой должен быть? Или какой дешевле и проще тупо из советских переделать?
Раз текущие машинв не меняют, значит такие и нужны.
Тарасенко, разлогинься
Я думаю об этом надо сообщить прежде чем постить
Нет. Это значит что такие проще производить в товарном количестве,меньше тратя на это денег. У бэтэра куча своих плюсов я не спорю,но с учётом какие сейчас существуют патроны и ПТ средства он годится разве что довести ребят до начала ЛБС, пошмалять с тридцаток чтобы подавить где то там точки противника и после того как пехота вышла тут же убежать обратно, так как в бока даже ББ пули 7.62 на вполне боевой дистанции его берут,не говоря о чем то покрупнее
Так БТР так и должны применять… Даже НАТОвские.
Вот только та же бредля в трёх буквах показала что в комплекции с братом вполне может пережить даже рандомный заряд РПГ,да и 7.62 насколько помню в борт держит стабильно
😁😁😁
Так это бмп, у неё и брони больше, чем у тех же бтр страйкер.
В ХКБМ?)
Так это костыльная конструкция. Проще реально поставить моноблок с новым движком и трансой.
Интересное
ВЫБОР И ОБОСНОВАНИЕ КОНСТРУКЦИИ РЕДУКТОРА ЗАДНЕГО ХОДА ДЛЯ МОДЕРНИЗАЦИИ ТАНКА Т-90

На то есть Бурлак, и судя по фото с БВ-шкой проект омичи не забросили. Изначально Прорыв и Бурлак - два проекта модернизации боевого модуля для Т-80/90, почему выиграл Прорыв могу сказать - политика протекционизма плюс перегруженная тележка Т-90.
Как по мне Бурлак куда более перспективен хоть и тяжелее Прорыва.
А зачем новый движок?
Задача элементарная - сохранив ресурс и надёжность БКП сделать реверс тяги с двигла на остальные шестерни.
И планетарка с разными степенями свободы для ведущей/ведомой шестерни как по мне самый идеальный вариант.
Мыфта веселит, не понимаю почему
Уже забросили.
Колумбус говорит, что забашенная ниша более уязвима, а значит он прав!